Marchi
- EL-MicroWave
- E+E
- Elco
- Balluff
- Microsonic
- Beckhoff
- Detas
- Siemens
- Efort
- Exenta
- Hilscher
- Invt
- Leuze
- ReeR
- Senpum
- Pizzato
- Detas Ultra
- Detas Ev Chargers
- Aplex
- Modus
- Toshiba
- Turck Banner
- Weintek
- Werma
- Novotechnik
- Eliko
- Optris
- Teleradio
- Haake
- Binder
- Lenord + Bauer
- Telco Sensors
- Gamma System
- Trafag
- Auer
- Bk Micro
- Tkd
- Kathrein
- Fatek
- Proxitron
- Tekima
- Matrix Vision
- Elvem
- Stego
- Posital Fraba
- Dis Sensors
Prodotti
- Shop online
- Alimentatori
- Barriere fotoelettriche di sicurezza
- Cablaggi/Networking
- Dispositivi di sicurezza
- Encoder
- EV Charger
- Finecorsa meccanico
- Fotocellule
- Gateway Industriale
- Industria 5.0
- Inverter
- Laser scanner
- Lettori barcode industriali
- Motore brushless
- Pannello HMI
- Passacavo
- Pc Industriali
- PLC
- Radiocomandi industriali di sicurezza
- Real Time Location System
- Robot industriale
- Segnalazioni luminose
- Sensori di umidità e flusso
- Sensori di temperatura
- Sensore capacitivo
- Sensore induttivo
- Sensore ultrasuoni/Radar
- Sistemi di visione
- Trasduttore di pressione
- Trasduttore lineare
BNS 819-D04-D12-100-10-FE | BNS00FR | Finecorsa meccanico | Balluff
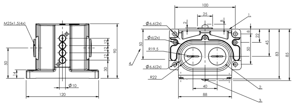
Il BNS 819-D04-D12-100-10-FE (codice BNS00FR) è un finecorsa meccanico di Balluff progettato per applicazioni di automazione industriale che richiedono il controllo affidabile di più posizioni in sistemi macchina strutturati.
La configurazione con quattro punti di commutazione meccanici a tetto, distanza tra i punti di 12 mm e velocità di avvicinamento fino a 40 m/min consente una gestione precisa delle sequenze di movimento in impianti automatici e linee di produzione.
Dotato di contatti snap-on, il dispositivo supporta una corrente permanente fino a 6 A con tensione nominale di 250 V AC, risultando idoneo per circuiti di comando in ambito industriale.
La custodia in alluminio anodizzato contribuisce a garantire robustezza meccanica, mentre il grado di protezione IP67 ne consente l’impiego in ambienti esposti a polveri e umidità.
L’installazione verticale e la direzione di avvicinamento longitudinale, parallela alla superficie di avvitamento, permettono un’integrazione ordinata nella struttura macchina.
La connessione a vite e l’intervallo di temperatura operativa -5…85 °C completano un profilo tecnico orientato alla continuità operativa. Le conformità CE, UKCA, CCC e WEEE ne supportano l’utilizzo in contesti regolamentati.
Scopri la nostra gamma di finecorsa meccanici!
... leggi tutto